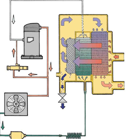
Persluchtconditionering
Bij het comprimeren van perslucht komt condens vrij. Het is belangrijk dat condens uit de perslucht wordt gehaald ter bescherming van de aan te drijven installaties en gereedschappen. Vanzelfsprekend is dit ook relevant bij ademlucht toepassingen, of situaties waar de perslucht in contact komt met bijvoorbeeld voedingsmiddelen of medicijnen.
Wij beschikken over de kennis en apparatuur om de kwaliteit van de perslucht te meten, registreren of continue te monitoren.
Aan de hand van de toepassing, de kwaliteitseisen van de relatie en een aantal omgevingsfactoren, komen wij met een gedegen en onderbouwd advies, gerelateerd aan de huidige normen en wetgeving.


